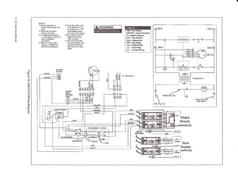
Godown Wiring Connection Diagram: Simplify Your Lighting Control Setup! Warehouse/godown light wiring diagram and connection procedure